SJR3-LN系列是9999js金沙老品牌公司自主研发二用智能式的软启动器,兼容在线式应用的同时兼备有外置旁路连接方式,增加了欠载,运行次数,运行时间,线性的温度监控等多种功能,内置集成了RS485通讯总线,提供多语种菜单。
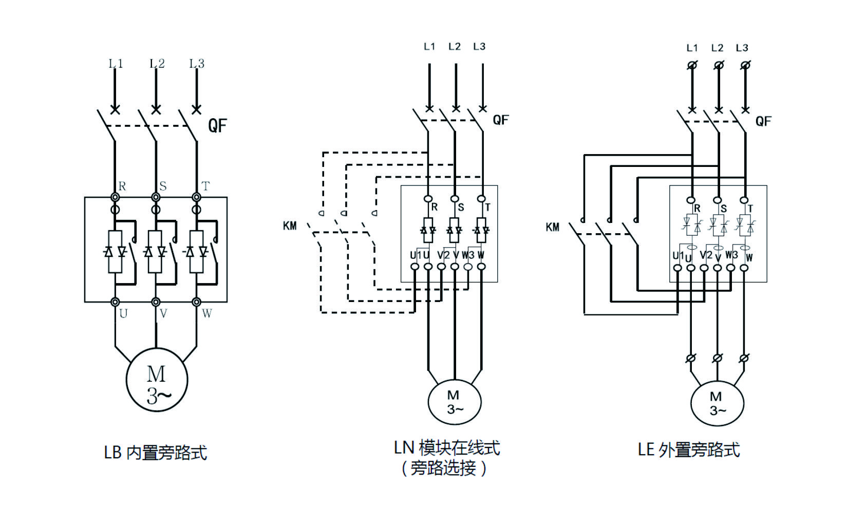
L系列软启动器是我公司基于最新的产品构架平台(开发代号“Leopard”)开发的一款支持多种旁路类型的软启动器。 “Leopard”构架相较于前代SJR2系列的平台,在软硬件上均有较大的优化与提升。基于最新的32位ARM构架的主控芯片,算法性能与功能进一步提升。高频光耦触发可控硅设计取代了传统的模拟脉冲驱动,有效改善了可控硅内部导通效率,降低了损耗。
●内置电源设计使产品可以适应宽幅电压波动;
●线性温度检测——实时监测产品运行温度;
●可调节的三相不平衡保护范围和可调节的过载阈值,应对复杂工况;
●内置中文/英语多语种菜单选项,自由切换;
●运行时间/运行次数统计功能——为维保提供便利;
●可调节的欠载保护功能,为泵类应用的防干烧提供保护;
●两组可编程输出继电器/三组可编程数字输入/一组模拟量输出——丰富的I/O接口;
●集成RS485接口,支持Modbus协议通讯功能;
●支持强制启动模式(关闭保护功能),可应对消防等应急启动场合;
(其中SJR3-LN系列为旁路选接,配置有旁路连接铜排,使用旁路可以有效减轻模块运行功耗,延长模块使用寿命)

| 符合标准 | GB/T 14048.6-2016/IEC 60947-4-2:2011 |
| 三相电源 | 电压(AC)380V±15% |
| 频率 | 50Hz/60Hz |
| 适用电机 | 鼠笼式三相异步电动机 |
| 起动频度 | 视负载情况而定建议每小时不超过20次 |
| 防护等级 | IP(可协议,详见壳架编号标注) |
| 抗冲击 | 15gms |
| 抗震能力 | 海拔地面起3000m以下,振动力装置0.5G以下 |
| 环境温度 | 工作温度-25℃~+40℃不降容(+40℃~+60℃之间,每升高1℃,电流降低1.2%) |
| 存贮温度 | -25℃~+70℃ |
| 环境湿度 | 95%无冷凝或水滴 |
| 最大工作高度 | 高度1000米以内不降容(1000米以上,每增100米,电流降低0.5%) |
| 相对于垂直 | 安装位置的最大工作角度无要求 |